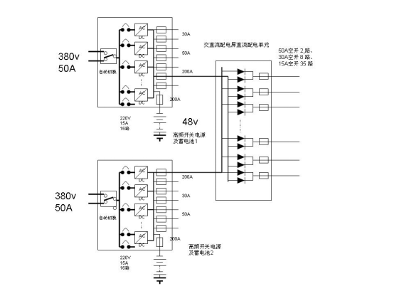
电力项目
五强溪水电站通信电源改造
详细说明:
五强溪水电站是湖南省最大的水电站,是湖南省重要的电源点,在电网中有举足轻重的作用,而通信系统沟通电厂与电网调度的所有联系,如果通信中断或出错,会严重威胁电网的稳定,有可能造成机组停机或电网解列。我公司技术人员详细调查现场设备情况,翻译进口设备的英文技术资料,做出详细的施工方案,对重要的设备做带电割接,经过一周时间的施工,圆满完成通信电源的割接改造。
电力服务
